您好,欢迎进入扬州海润橡胶有限公司官网!

扬州海润橡胶有限公司

联系人:叶经理

手 机:15358855489(微信同号)

邮 箱:yzhrxj@qq.com

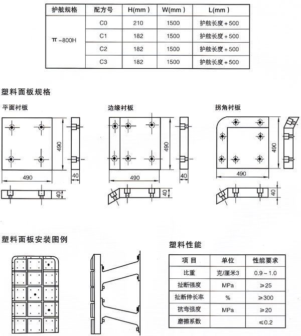
π型橡胶护舷
π型橡胶护舷
您的位置:首页>π型橡胶护舷
π型橡胶护舷
发布时间:2021-05-13 10:02:04来源:
π型橡胶护舷
\\\\\